foto da fonti aperte
Gli scienziati russi sono riusciti a creare porosi da plastica e sale materiale che imita la struttura dell’osso. In questo caso, il solito libro di cucina il sale è diventato l’eccipiente principale.
Allo stato attuale, il polietilene ad altissimo peso molecolare ha gi� uso diffuso in articolazioni artificiali, nonché in ceramica e metallo. Questo tipo di plastica ha elevata resistenza e densità, e, soprattutto, completamente sicuro per i tessuti umani. queste le caratteristiche dei materiali sono ideali per la creazione ossa artificiali.
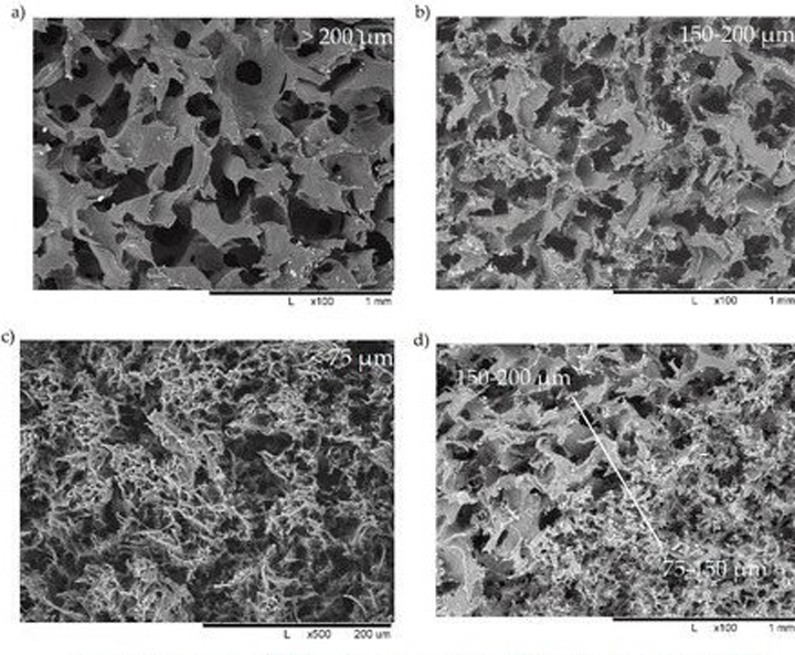
In precedenza, il problema principale nella loro creazione era la mancanza di porosità. È necessario che le ossa muovano le cellule ossee e germogliare i vasi sanguigni ma creare strutture complesse all’interno dell’osso artificiale non era così semplice. Per la stampa di volumi la plastica rimane viscosa per molto tempo.
foto da fonti aperte
Siamo stati in grado di risolvere questo problema grazie a una tecnologia insolita, proposto dagli scienziati NITU MISiS. Al momento di fare l’osso, il polimero viene miscelato con il normale sale da cucina e successivamente il sale di solidificazione viene lavato con acqua. I pori rimangono nel prodotto creato la giusta dimensione.
Il materiale è stato testato per la resistenza a carichi specifici. ed è stato anche esaminato usando un microscopio. Proprietà meccaniche i prodotti si sono rivelati uguali indipendentemente dalle dimensioni dei pori il materiale è diventato meno resistente dell’osso reale. Il prossimo la fase di ricerca cercherà una combinazione di materiali per creare osso artificiale con i parametri necessari.
ESOREITER ha precedentemente parlato di un osso del ginocchio che è stato considerato scomparendo durante l’evoluzione da un organo rudimentale.
Andrey Vetrov
Tempo di plastica
